Informazioni tecniche su un miscelatore monocomando per vasca ad incasso della marca Logis. Di seguito un riepilogo dettagliato delle specifiche tecniche:
- Marca: Logis
- Tipo: Miscelatore monocomando per vasca ad incasso
- Finitura: cromo
- Codice articolo: 71405000
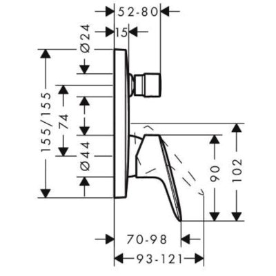
Il miscelatore monocomando per vasca ad incasso è progettato per essere installato all'interno della vasca da bagno, offrendo un design elegante e moderno. La finitura cromata conferisce al prodotto un aspetto lucido e resistente alla corrosione.
Per ulteriori dettagli e informazioni sul prodotto, è possibile consultare il sito web del produttore all'indirizzo www.hansgrohe.it.
Questo tipo di miscelatore è ideale per installazioni in ambienti bagno di alta qualità, offrendo funzionalità e design contemporaneo. Gli installatori o tecnici specializzati possono fare riferimento a questo documento per ottenere informazioni dettagliate sulla specifica tecnica del prodotto e per garantire un'installazione corretta e efficiente.
In caso di ulteriori domande o necessità di assistenza tecnica, si consiglia di contattare direttamente il produttore per ricevere supporto aggiuntivo.
- Marca: Logis
- Tipo: Miscelatore monocomando per vasca ad incasso
- Finitura: cromo
- Codice articolo: 71405000
Il miscelatore monocomando per vasca ad incasso è progettato per essere installato all'interno della vasca da bagno, offrendo un design elegante e moderno. La finitura cromata conferisce al prodotto un aspetto lucido e resistente alla corrosione.
Per ulteriori dettagli e informazioni sul prodotto, è possibile consultare il sito web del produttore all'indirizzo www.hansgrohe.it.
Questo tipo di miscelatore è ideale per installazioni in ambienti bagno di alta qualità, offrendo funzionalità e design contemporaneo. Gli installatori o tecnici specializzati possono fare riferimento a questo documento per ottenere informazioni dettagliate sulla specifica tecnica del prodotto e per garantire un'installazione corretta e efficiente.
In caso di ulteriori domande o necessità di assistenza tecnica, si consiglia di contattare direttamente il produttore per ricevere supporto aggiuntivo.
















