DETTAGLI DEL PRODOTTO
LA SERIE ACQUERELLI, ANNI '80 VIENE RIPRESA E ATTUALIZZATA, CON IL SUO CARATTERE DINAMICO EVIDENZIATO DAL MINIMALISMO DELLE SUE LINEE, PERFETTAMENTE BILANCIATE IN TUTTE LE VARIANTI DELLA COLLEZIONE.
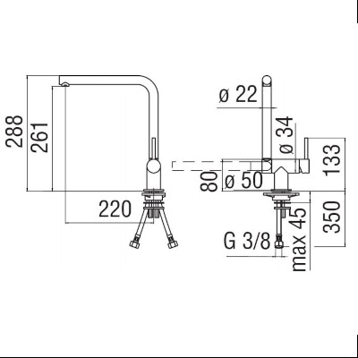
Informazioni dettagliate sul prodotto AQ93114CR della linea Acquerelli della Carlo Nobili Spa Rubinetterie.
- Tipo: Monocomando con bocca abbattibile
- Finitura: Cromo
- Rotazione della bocca: 360°
- Aeratore anticalcare: M 18,5 x 1
- Flessibili: Inox ø 3/8”
- Limitatore di portata: Con freno al 50%
- Imballo: Dimensioni 56,5 x 29 x 7,1 cm / Volume 0,011633 m³ / Peso 1,92 kg
Il prodotto è progettato per erogare acqua calda e fredda, con un diagramma di portata specifico per ciascuna tipologia. L'aeratore incluso aiuta a ridurre la formazione di calcare e migliorare la qualità dell'acqua.
La Carlo Nobili Spa Rubinetterie è l'azienda produttrice, con sede in Via Novara 29, Suno (NO) Italia. Per contattare l'ufficio, è possibile chiamare il numero +39 0322 885885, inviare un fax al numero +39 0332 858091, scrivere una mail a info@grupponobili.it o visitare il sito web nobili.it.
Queste informazioni sono cruciali per un installatore o un tecnico specializzato che necessita di dettagli tecnici precisi per l'installazione e la manutenzione dell'impianto idraulico.
- Tipo: Monocomando con bocca abbattibile
- Finitura: Cromo
- Rotazione della bocca: 360°
- Aeratore anticalcare: M 18,5 x 1
- Flessibili: Inox ø 3/8”
- Limitatore di portata: Con freno al 50%
- Imballo: Dimensioni 56,5 x 29 x 7,1 cm / Volume 0,011633 m³ / Peso 1,92 kg
Il prodotto è progettato per erogare acqua calda e fredda, con un diagramma di portata specifico per ciascuna tipologia. L'aeratore incluso aiuta a ridurre la formazione di calcare e migliorare la qualità dell'acqua.
La Carlo Nobili Spa Rubinetterie è l'azienda produttrice, con sede in Via Novara 29, Suno (NO) Italia. Per contattare l'ufficio, è possibile chiamare il numero +39 0322 885885, inviare un fax al numero +39 0332 858091, scrivere una mail a info@grupponobili.it o visitare il sito web nobili.it.
Queste informazioni sono cruciali per un installatore o un tecnico specializzato che necessita di dettagli tecnici precisi per l'installazione e la manutenzione dell'impianto idraulico.











